ТСМ-9417 термопреобразователи сопротивления

Скачать PDF

Тип датчика температуры: ТСМ

Номинальная статическая характеристика: 50М

Диапазон измеряемых температур: -50...+100°C

Тип контролируемой среды: Вода и другие жидкости, не агрессивные к нержавеющей стали, Воздух и другие газы, не агрессивные к нержавеющей стали, Поверхности твердых тел

Маркировка взрывозащиты: Нет

Цена (без учета НДС): По запросу руб.

Описание

Датчики температуры ТСМ-9417 предназначены измерения температуры жидких, газообразных сред и твердых тел, не разрушающих защитную арматуру. Используются для измерения температуры воздуха в помещениях различного назначения.
Номинальное значение температурного коэффициента α=0,00428 °С-1.

Термопреобразователи сопротивления медные ТСМ-9417 изготавливаются по ТУ-4211-093-02566540-2011.

Технические характеристики

Класс допуска B
Показатель тепловой инерции 15 с
Диапазон условных давлений 0,4 МПа
Средняя наработка до отказа при номинальных температурах 200000 ч
Материал погружаемой части 12Х18Н10Т (защитная арматура)
Материал корпуса Полиамид ПА66-КС; штампованная сталь К270-В
Устойчивость к вибрации N3
Климатическое исполнение (диапазон рабочих температур) Т2, У2
Исполнение по степени защиты IP00, IP54
Вес Не более 0,2 кг

Структура обозначения, пример заказа

ТСМ
9417
02

Конструктивное исполнение датчика температуры (см. Варианты исполнений)

Модель датчика температуры

Тип датчика температуры

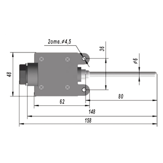
Варианты исполнений

Исполнение

Схема

Рисунок

Степень
 защиты

Материал
корпуса

ТСМ-9417-00


Рис.1

IP54

Полиамид
ПА66-КС

ТСМ-9417-01


Рис.2

IP00

ТСМ-9417-02


Рис.3

IP54

Штампованная
сталь К270-В

ТСМ-9417-03


Рис.4

IP00

Стандартный комплект поставки

  • ТСМ-9417 термопреобразователь сопротивления медный.
  • Паспорт.

Дополнительная комплектация, опции

  • Экран для защиты термопреобразователя от солнечных лучей (для исп. ТСМ-9417-00, ТСМ-9417-01).

© ТД Эталон - датчики температуры, 2026

WebCanape - быстрое создание сайтов и продвижение

Яндекс.Метрика
Вы выделили текст на сайте td-etalon.com