ТХК-1107 преобразователи термоэлектрические

Скачать PDF

Тип датчика температуры: ТХК

Номинальная статическая характеристика: L

Диапазон измеряемых температур: -40...+400°C, -40...+600°C

Тип контролируемой среды: Вода и другие жидкости, не агрессивные к нержавеющей стали, Воздух и другие газы, не агрессивные к нержавеющей стали, Поверхности твердых тел

Маркировка взрывозащиты: Нет

Цена (без учета НДС): По запросу руб.

Описание

Термоэлектрические преобразователи ТХК-1107 предназначены для измерения температуры газообразных и жидких сред и 
поверхности твердых тел.

Особенности:

  • Для датчиков температуры ТХК-1107 с диаметром монтажной части от 6 мм и меньше используется кабель.
  • Блочно-модульная конструкция датчиков ТХК-1107 позволяет выбрать преобразователь сопротивления подходящий точно для необходимых технических условий.
  • Средняя наработка до отказа при номинальных температурах - 50000 часов.

Технические характеристики

Класс допуска 1, 2
Показатель тепловой инерции 2 с; 2,5 с; 3 с; 4 с; 5 с; 6 с; 8 с; 20 с; 30 с; 50 с; 60 с; 90 с; 180 с (см. Варианты исполнения)
Исполнение рабочего спая Изолированный, Неизолированный
Диапазон условных давлений 0,4 МПа; 10 МПа
Материал корпуса Сталь 12Х18Н10Т, 10Х17Н13М2Т (защитная арматура); алюминий (головка)
Устойчивость к вибрации F3, N3
Климатическое исполнение (диапазон рабочих температур) У2
Исполнение по степени защиты IP65

Структура обозначения, пример заказа

ТХК
1107
21
120
8
ХК(L)
1
-
12Х18Н10Т
-40...+600

Рабочий диапазон температур, °С (см. Варианты исполнений)

Материал защитной арматуры (см. Варианты исполнений)

Изоляция спая: Н - неизолированный (изолированный спай не указывается)

Класс допуска: 1, 2

Количество чувствительных элементов (при наличии двух) и условное обозначение НСХ

Диаметр монтажной части d, мм (см. Варианты исполнений)

Длина монтажной части l, мм (см. Варианты исполнений)

Номер рисунка: 11, 12, 13, 14, 15, 16, 17, 18, 19, 20, 21, 22, 24, 25, 26, 27, 28 (см. Варианты исполнений)

Модель датчика температуры

Тип датчика температуры

Варианты исполнений

Рисунок

Диаметр
монтажной
части

Класс
допуска

Количество
чувствитель­ных
элементов

Рабочий диапазон температур, °С

Материал
защитной
арматуры

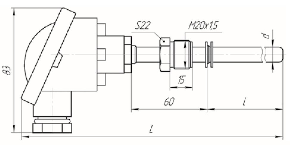
ТХК-1107-11, ТХК-1107-12

Рис.11

8, 10

1, 2

1

-40…+600

12Х18Н10Т

Рис.12

10

2

10Х17Н13М2Т

Общая длина преобразователя L, мм (L=200+l).

Длина монтажной части l, мм: 60, 80, 100, 120, 160, 200, 250, 320, 400, 500, 630, 800, 1000, 1250, 1600, 2000, 2500, 3150

Показатель тепловой инерции, не более:

Для d=10 мм спай изолированный - 30 с, спай неизолированный - 8 с;

Для d=8 мм спай изолированный - 20 с, спай неизолированный - 5 с.

Условное давление, P = 10 МПа.

ТХК-1107-13

Рис.13

8, 10

1, 2

1

-40…+600

12Х18Н10Т

10

2

10Х17Н13М2Т

Общая длина преобразователя L, мм (L=80+l).

Длина монтажной части l, мм: 160, 200, 250, 320, 400, 500, 630, 800, 1000, 1250, 1600, 2000, 2500, 3150

Показатель тепловой инерции, не более:

Для d=10 мм спай изолированный - 30 с, спай неизолированный - 8 с; Для d=8 мм спай изолированный - 20 с, спай неизолированный - 5 с.

Условное давление, P = 0,4 МПа.

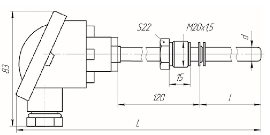
ТХК-1107-14, ТХК-1107-15

Рис.14

8, 10

1, 2

1

-40…+600

12Х18Н10Т

Рис.15

10

2

10Х17Н13М2Т

Общая длина преобразователя L, мм (L=140+l)

Длина монтажной части 1, мм: 100, 120, 160, 200, 250, 320, 400, 500, 630, 800, 1000, 1250, 1600, 2000, 2500, 3150

Показатель тепловой инерции, не более:

Для d=10 мм спай изолированный - 30 с, спай неизолированный - 8 с;

Для d=8 мм спай изолированный - 20 с, спай неизолированный - 5 с.

Условное давление, P = 10 МПа.

ТХК-1107-16, ТХК-1107-17

Рис.16

3; 5; 6

2

1

-40...+600

12Х18Н10Т

Рис.17

4,6

2

Общая длина преобразователя L, мм (L=140+l)

Длина монтажной части 1, мм: 100, 120, 160, 200, 250, 320, 400, 500, 630, 800, 1000, 1250, 1600, 2000, 2500, 3150, 4000, 5000, 6300, 8000, 10000, 12500, 14000, 16000, 18000, 20000, 25000, 30000

Показатель тепловой инерции, не более:

Для d=6 мм спай изолированный - 8 с, спай неизолированный - 5 с;

Для d=5 мм спай изолированный - 6 с, спай неизолированный - 4 с;

Для d=4,6 мм спай изолированный - 4 с, спай неизолированный - 3 с;

Для d=3 мм спай изолированный - 2,5 с, спай неизолированный - 2 с.

Условное давление, P = 10 МПа.

ТХК-1107-18

Рис.18

8, 10

1, 2

1

-40…+600

12Х18Н10Т

10

2

10Х17Н13М2Т

Общая длина преобразователя L, мм (L=85+l)

Длина монтажной части 1, мм: 160, 200, 250, 320, 400, 500, 630, 800, 1000, 1250, 1600, 2000, 2500, 3150

Показатель тепловой инерции, не более:

Для d=10 мм спай изолированный - 30 с, спай неизолированный - 8 с.

Для d=8 мм спай изолированный - 20 с, спай неизолированный - 5 с.

Условное давление, P = 10 МПа.

ТХК-1107-19, ТХК-1107-20

Рис.19

3, 5, 6

2

1

-40 ... +600

12Х18Н10Т

Рис.20

4, 6

2

Рис. 19: Общая длина преобразователя L, мм (L=90+l).

Рис. 20: Общая длина преобразователя L, мм (L=85+l)

Длина монтажной части l, мм: 160, 200, 250, 320, 400, 500, 630, 800, 1000,

1250, 1600, 2000, 2500, 3150, 4000, 5000, 6300, 8000, 10000, 12500, 14000,

16000, 18000, 20000, 25000, 30000

Показатель тепловой инерции, не более:

Для d=6 мм спай изолированный - 8 с, спай неизолированный - 5 с;

Для d=5 мм спай изолированный - 6 с, спай неизолированный - 4 с;

Для d=4,6 мм спай изолированный - 4 с, спай неизолированный - 3 с;

Для d=3 мм спай изолированный - 2,5 с, спай неизолированный - 2 с.

Условное давление, P = 10 МПа.

ТХК-1107-21, ТХК-1107-22

Рис. 21

8,10

1, 2

1

-40...+600

12Х18Н10Т

Рис. 22

10

2

10Х17Н13М2Т

Общая длина преобразователя L, мм (L=200+l).

Длина монтажной части 1, мм: 100,120,160, 200, 250, 320,400, 500,630, 800,1000,1250, 1600, 2000, 2500, 3150

Показатель тепловой инерции, не более:

Для d=10 мм спай изолированный - 30 с, спай неизолированный - 8 с; Для d=8 мм спай изолированный - 20 с, спай неизолированный - 5 с.

Условное давление, Р = 10 МПа.

ТХК-1107-24

Рис.24

6

1, 2

1

-40...+400

12Х18Н10Т

Общая длина преобразователя L, мм (L=200+l).

Длина монтажной части l, мм: 10, 32, 60, 80, 100, 120, 160, 200, 250, 320, 500

Показатель тепловой инерции, не более:

спай изолированный - 20 с, спай неизолированный - 6 с.

ТХК-1107-25

Рис.25

10/8,5

2

1, 2

-40...+600

12Х18Н10Т

Общая длина преобразователя L, мм (L=200+l).

Длина монтажной части l, мм:  10, 20, 40, 60, 80, 100, 160, 200, 250, 320, 400, 500, 630, 800, 1000, 1250, 1600, 2000

Показатель тепловой инерции, не более:

спай изолированный - 30 с, спай неизолированный - 8 с.

ТХК-1107-26

Рис.26

10

1, 2

1, 2

-40...+600

12Х18Н10Т

Общая длина преобразователя L = 200 мм.

Показатель тепловой инерции, не более 50 с

Условное давление, P = 10 МПа.

Масса, не более 450 г.

ТХК-1107-27

Рис.27

20

2

1

-40...+600

12Х18Н10Т

Общая длина преобразователя L, мм (L=74+l).

Длина монтажной части l, мм: 200, 250, 320, 400, 500, 630, 800, 1000, 1250, 1600, 2000, 2500, 3150

Показатель тепловой инерции, 180 с, не более.

Условное давление, P = 10 МПа.

Устойчивость к вибрации - группа исп. N3 по ГОСТ Р 52931

Масса М, не более М=(310+ lх1,14) г.

ТХК-1107-28

Рис.28

20

2

1

-40...+600

12Х18Н10Т

Общая длина преобразователя L, мм (L=234+l).

Длина монтажной части l, мм: 200, 250, 320, 400, 500, 630, 800, 1000, 1250, 1600, 2000, 2500, 3150

Показатель тепловой инерции, 180, не более.

Условное давление, P = 10 МПа.

Устойчивость к вибрации - группа исп. N3 по ГОСТ Р 52931

Масса М, не более М=(450+ lх1,14) г.

Стандартный комплект поставки

  • ТХК-1107 преобразователь термоэлектрический.
  • Паспорт.

© ТД Эталон - датчики температуры, 2026

WebCanape - быстрое создание сайтов и продвижение

Яндекс.Метрика
Вы выделили текст на сайте td-etalon.com